78
定西市统计局
/col/col8675/index.html
工作动态
/col/col8698/index.html
首页 >
工作动态
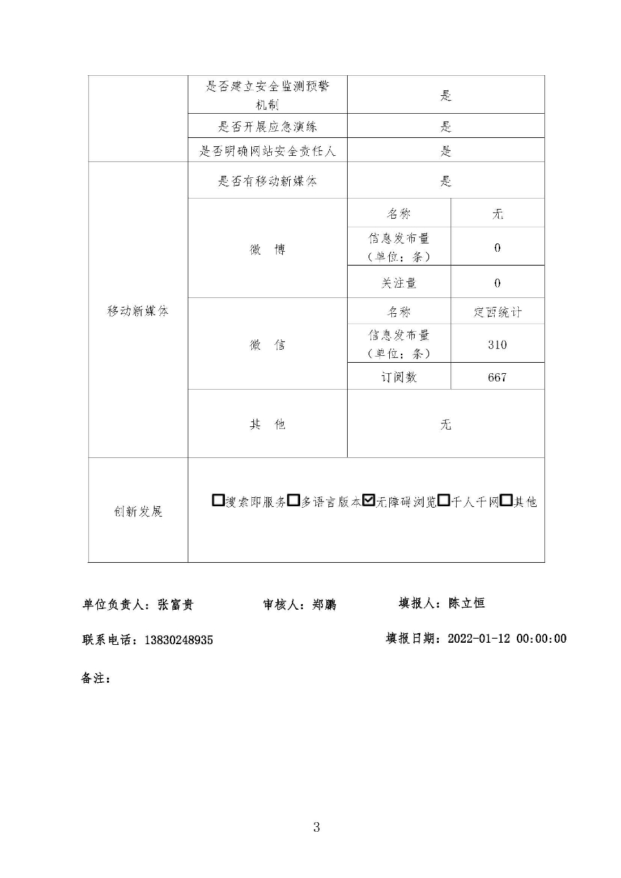
2021年度定西市统计局网站工作年度报表
发布时间:2022-01-12 15:04
责任编辑 : 市统计局管理员